Il s'agit de la roue de nez par excellence si vous souhaitez une roue de nez de qualité supérieure pour remplacer les roues de nez Winterhoff. Tout est tout simplement plus robuste, ce qui se traduit également par une charge maximale plus lourde de 500 kg. Convient à un usage quotidien intensif.
Cette roue de 60 mm est livrée en standard sans matériel de montage. Commandez la combinaison de produits recommandée pour la roue de 60 mm, y compris le matériel de montage.
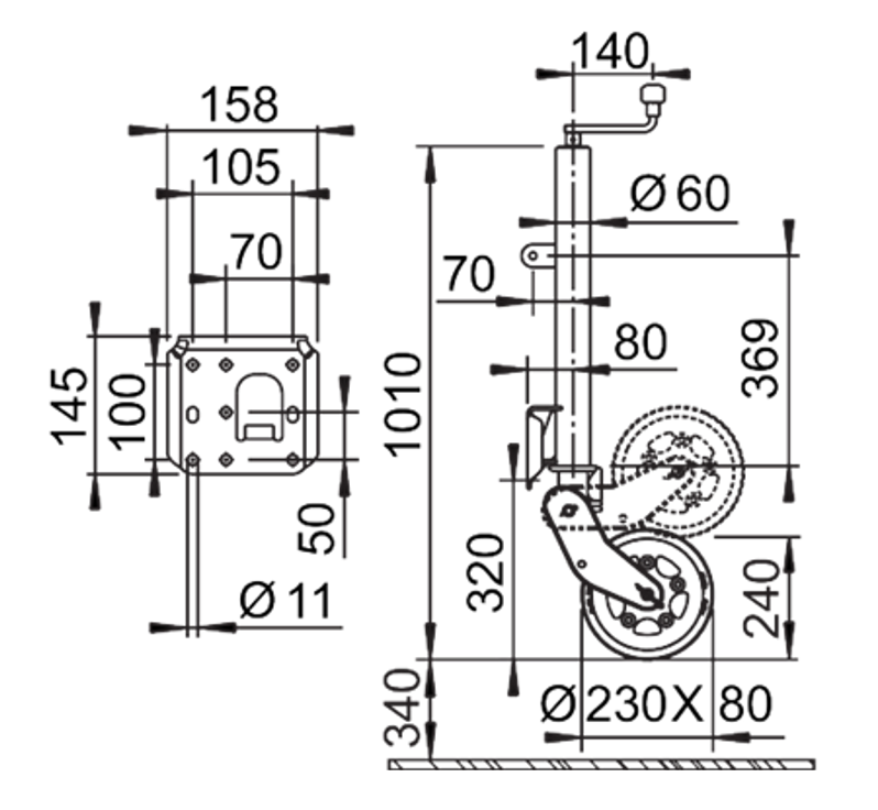
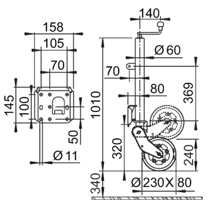
Numéro AL-KO : 1223638
Dimensions de la roue : 230X80 mm
Longueur déployée : 340 mm
Caractéristiques supplémentaires
- Entièrement automatique
- Extra long
- Protection contre la corrosion
Dessin technique :

Espacement des plaques de fixation Roue jockey de 60 mm

Cette roue de 60 mm a une plaque de fixation avec un intervalle de 65 mm. Lors du montage de cette roue de nez, tenez compte de l'espace dont vous aurez besoin au niveau de la barre d'attelage pour monter cette roue de nez.